LNG真空低温液体储罐
1、产品介绍
LNG储罐即是液化天然气储罐,是储存液化天然气的专业产品,属于特种设备,压力容器。
2、产品优势
(1)低温储罐不锈钢均采购太原钢铁厂的不锈钢钢板。太原钢铁厂是国内制作不锈钢钢板的龙头企业,质量有保证。管材采用国内不锈钢光管 供货商安徽天大钢管。
(2)材料均按照GB150-2011《压力容器》进行复验,下料采用数控等离子切割机进行下料,严格控制筒节的几何尺寸。
(3)纵、环缝焊接均采用埋弧焊进行焊接,外观成型好,且内胆进行100%X射线检测。
(4)弯管在数控弯管机上进行弯制,严格保证了弯管的几何尺寸。不采用弯头对接,大大减少了管道阻力,也提高了外管路系统的美观性。
(5)不锈钢内胆内外表面均进行脱脂处理及酸洗钝化,碳钢外壳内外表面均进行了喷砂除锈,保证了油漆的附着力,延长了油漆的耐腐蚀年 限, 提高了不锈钢钢板的耐腐蚀能力、减少了夹层的放气量,即保证了真空度的寿命。
(6)装沙前对珠光砂进行独特的脱水预处理,并对夹层用氮气进行加热置换处理,极大地减少了放气源。
(7)装沙采用负压填充及正压压实的工艺,保证了夹层珠光砂的均匀性。采用振动棒压实工艺,较大限度的增加珠光砂的充装量,确保了夹层的保冷效果。
(8)采用独特抽真空工艺,大大缩短了内胆及夹层的抽空时间,确保夹层真空度均优于国家标准的要求。保证储罐真空度在3~5年内不需重新处理。
(9)油漆采用世界知名品牌佐敦油漆,喷涂底漆两遍,面漆两遍,保证了油漆的寿命及设备外观质量。
(10)每种市场销量较大的低温氧氮氩储罐及LNG储罐均有一定量的成品及半成品的备货,可以较大限度的保证用户对工期的要求。
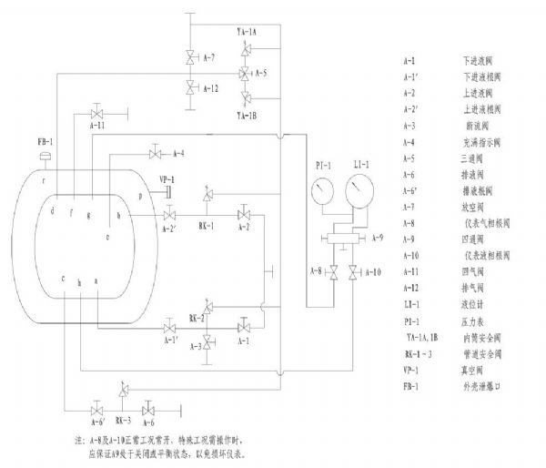
3、工作原理

| 下一条:二氧化碳真空低温液体储罐 | 上一条:液氧真空低温液体储罐 |










